服務熱線

| ltems | Standard | |
| Operating temperature range | ﹣16℃~+60℃. | |
|
Electrical performance |
Rating | 0.5A.50V DC |
| Insulation resistance | >100MΩ | |
| Dielectric strength | 250V 50HZ 1min | |
| Contact resistance | ≤50mΩ | |
| Durability | Lifetime | 10,000 Cycles |
|
Mechanical performance |
Operating force | 250±100gf |
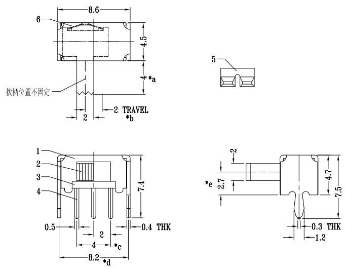
| Proudcts | Dimensions | Circuit Diagram |
| Pad Layout | ||
![]() |
![]() |
![]() |