服務熱線

| ltems | Standard | |
| Operating temperature range | -20℃ to +70℃ | |
|
Electrical performance |
Rating | 50mA.,16V DC |
| Insulation resistance | 50MΩ min.100V DC | |
| Dielectric strength | 250V AC for 1 min. | |
| Contact resistance | 200mΩ max. | |
| Durability | Lifetime | 10,000 Cycles |
|
Mechanical performance |
Operating force | 400±10gf |
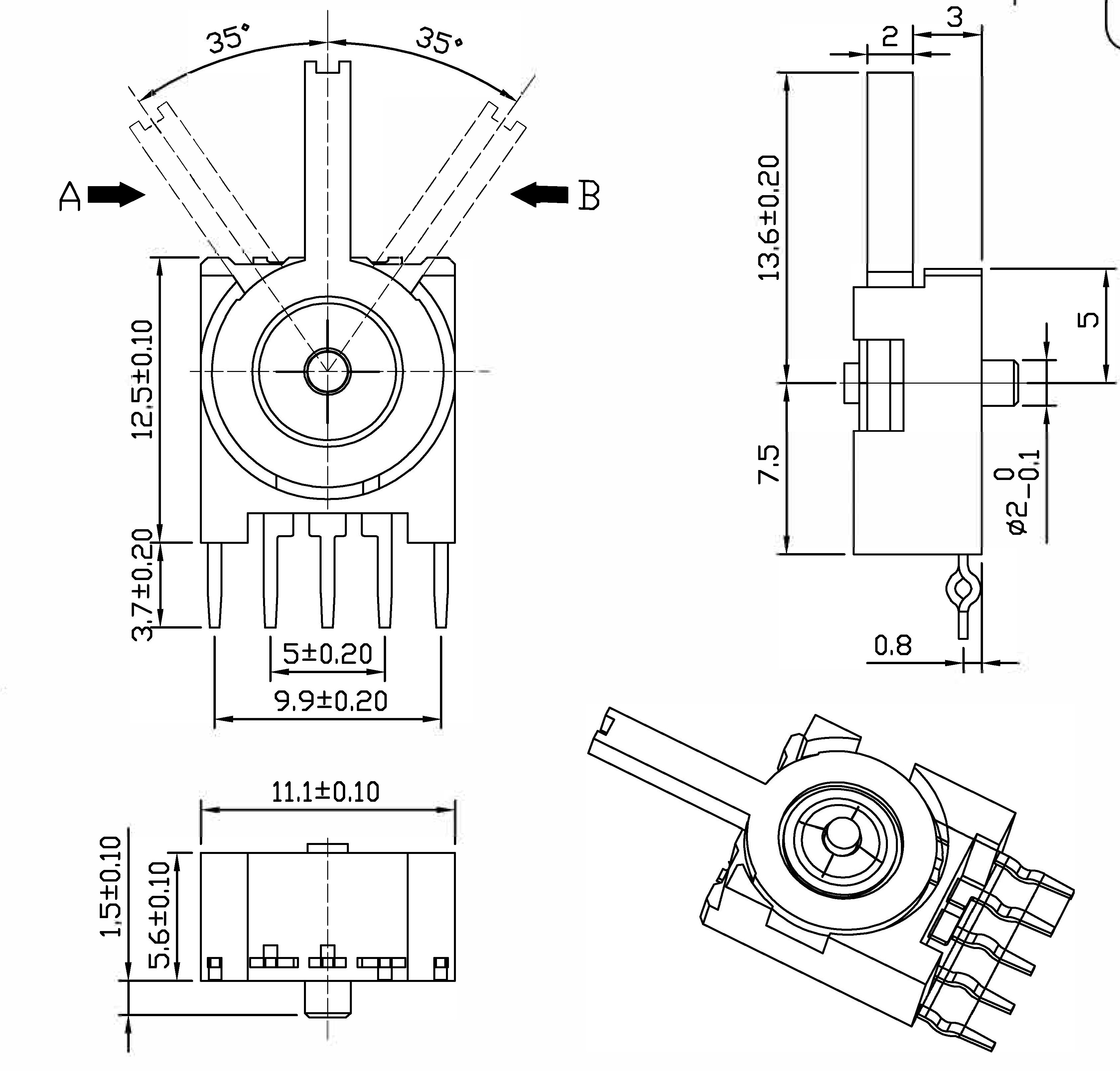
| Proudcts | Dimensions | Circuit Diagram |
| Pad Layout | ||
![]() |
![]() |
![]() |