服務熱線

| ltems | Standard | |
| Operating temperature range | -30℃ to +85℃ | |
|
Electrical performance |
Rating | 10mA.,5V DC Max |
| Insulation resistance | 100MΩ min.100V DC | |
| Dielectric strength | 100V AC for 1 min. | |
| Contact resistance | 500Ω max. | |
| Durability | Lifetime | 50,000 Cycles |
|
Mechanical performance |
Operating force | 300mN M |
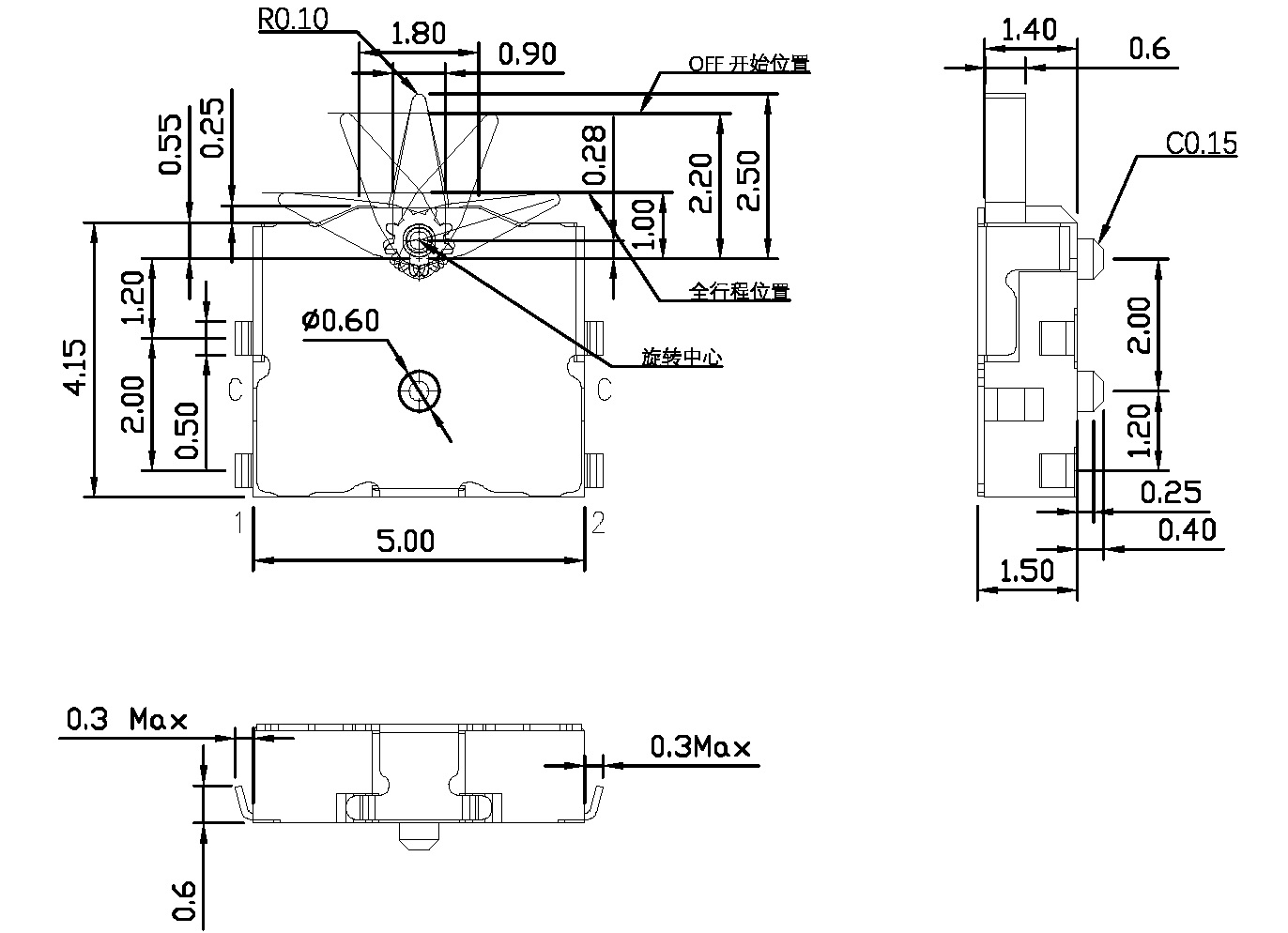
| Proudcts | Dimensions | Circuit Diagram |
| Pad Layout | ||
![]() |
![]() |
![]() |