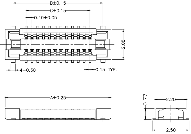
MIB-018F040 10.5*2.9*0.77mm
品牌:銘標科技
型號:MIB-018F040
規格:10.5*2.9*0.77mm
包裝:10000pcs
存放溫度: -35°C TO 85°C.; 端子,鍍金5u"MIN. 鎳底50u" MIN. 固定片,鍍金5u"MIN. 鎳底50u" MIN
* 聲明:有關于產品的規格、參數、壽命、工作溫度、手感、防水等級等數據,只代表銘標電子內部的測試結果,如需詳細測試方式,請聯系銘標業務人員。
SPECIFICATONS:
1.VOLTAGE/CURRENT RATING: 30V/0.3A AC;
2.WITHSTANDING VOLTAGE: 100V AC ONE MINUTE;
3.INSULATION RESISTANCE: 50MΩ MIN;
4.CONTACT RESISTANCE: 100mΩ MAX;
5.OPERATING TEMPERATURE RANGE: -35°C TO 85°C.
MATERIAL:
1.INSULATOR: LCP UL 94V-0 BLACK;
2.TERMINAL: COPPER ALLOY;
3.METAL FITTINGS: COPPER ALLOY.
PLATING:
1.TERMINAL: GOLD PLATING,
NICKEL 50u" MIN. OVER ALL;
2.METAL FITTINGS: TIN 100u" MIN. OVER NICKEL 50u"MIN.
|
Proudcts |
Dimensions |
Circuit Diagram |
|
Pad Layout |
|
|
 |

|