服務熱線

| ltems | Standard | |
| Operating temperature range | -40℃ to +85℃ | |
|
Electrical performance |
Rating | 0.5mA.,5V DC |
| Insulation resistance | 50MΩ Min | |
| Dielectric strength | 250V AC | |
| Contact resistance | ≤100MΩ | |
| Durability | Lifetime | 100,000 Cycles |

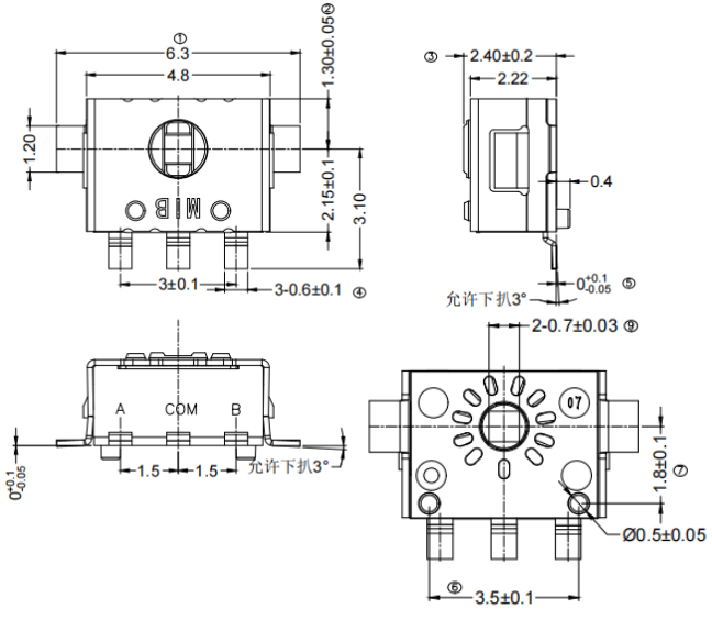
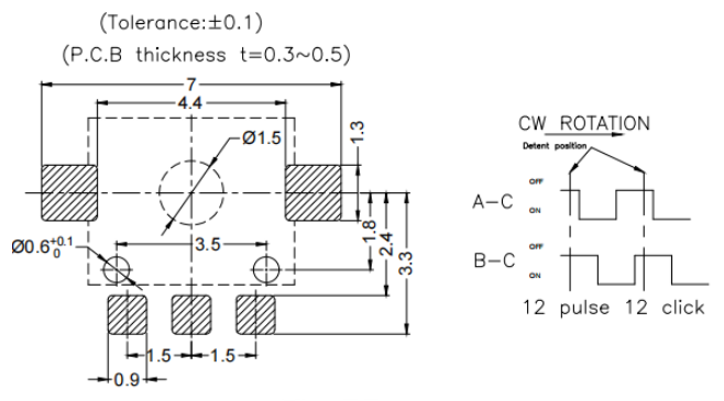
| Proudcts | Dimensions | Circuit Diagram |
| Pad Layout | ||
![]() |
![]() |
![]() |