服務熱線

| ltems | Standard | |
| Operating temperature range | -40℃ to +85℃ | |
|
Electrical performance |
Rating | 25mA..24V DC Max |
| Insulation resistance | 100MΩ min.100V DC | |
| Dielectric strength | 100V AC for 1 min. | |
| Contact resistance | 100mΩ max. | |
| Life | 1,000 cycles | |
| Operating force | 500gf Max | |

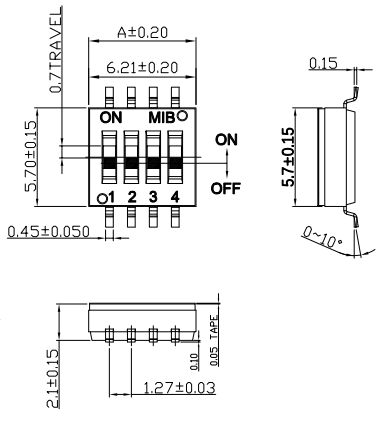
| Proudcts | Dimensions | Circuit Diagram |
| Pad Layout | ||
![]() |
![]() |
![]() |