服務熱線

| ltems | Standard | |
| Ambient Temper. Used | -40℃ to +85℃ | |
|
Electrical performance |
Rating | 50mA DC12V Max |
| Insulation resistance | 3MΩ min.DC100V | |
| Dielectric strength | AC 100V 1min. | |
| Contact resistance | 100mΩ max. | |
|
Mechanical performance |
Operating force | 300±70gf/500±100gf |
| Durability | Life | 30,000 Cycles |
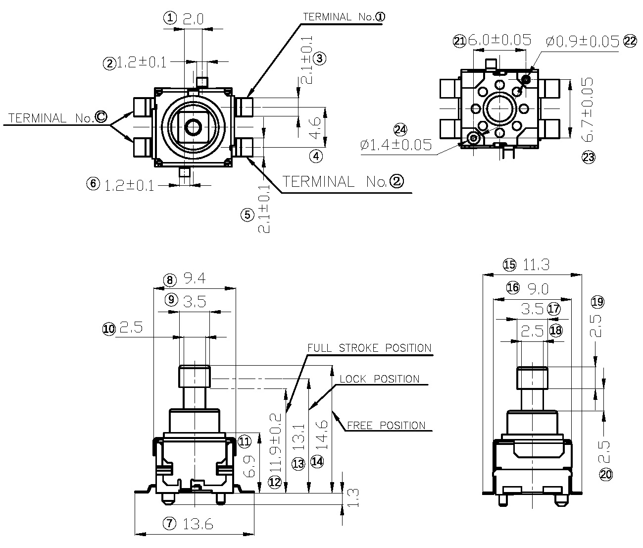
| Proudcts | Dimensions | Circuit Diagram |
| Pad Layout | ||
![]() |
![]() |
![]() |