服務熱線

| ltems | Standard | |
| Operating temperature range | -40℃ to +85℃ | |
|
Electrical performance |
Rating | 50mA.,12V DC |
| Insulation resistance | 50MΩ min.100V DC | |
| Dielectric strength | 250V AC for 1 min. | |
| Contact resistance | 500mΩ max. | |
| Durability | Lifetime | J:300,000 Cycles C:100,000 Cycles |
|
Mechanical performance |
Operating force | J:160gf C:250gf |
| Travel | 0.13±0.1mm | |

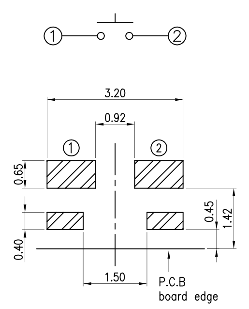
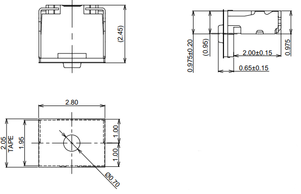
| Proudcts | Dimensions | Circuit Diagram |
| Pad Layout | ||
![]() |
![]() |
![]() |